AI 칩에 인간 뇌 세포 붙였더니 전력 효율 '쑥"[월드콘]

김종훈 기자 기사 입력 2026.03.14 09:48

URL이 복사되었습니다. 원하는 곳에 붙여넣기 해주세요.

공유하기
글자크기

하드웨어는 엔비디아처럼, 소프트웨어는 오픈AI처럼…AI 전력난 문제 해결할 '바이오 컴퓨팅' 스타트업 코티컬랩스

[편집자주] 전세계에서 활약 중인 '월드' 클래스 유니'콘', 혹은 예비 유니콘 기업들을 뽑아 알려드리겠습니다. 세상에 이런 게 있었나 싶은 기술, 이런 생각도 가능하구나 싶은 비전과 철학을 가진 해외 스타트업들이 많습니다. 이중에서도 독자 여러분들이 듣도보도 못했을 기업들을 발굴해 격주로 소개합니다.
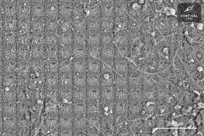
코티컬랩스 칩 기판에서 배양된 인간 뉴런 세포들이 조직을 이루고 있는 모습./AFPBBNews=뉴스1(코티컬랩스 제공)
코티컬랩스 칩 기판에서 배양된 인간 뉴런 세포들이 조직을 이루고 있는 모습./AFPBBNews=뉴스1(코티컬랩스 제공)

영화 매트릭스는 기계가 인간을 시험관에 가두고 전기를 생산하는 부품으로 사용한다는 세계관 속에서 전개된다. 이 내용을 '인간'을 '뉴런'으로, '전기'를 '데이터'로 바꿔 현실화한 기업이 있다. 2019년 홍 웬 총 CEO(최고경영자)가 설립한 호주 기반 바이오테크 스타트업 '코티컬랩스'가 주인공이다.

코티컬랩스는 인간 뉴런(뇌 신경 세포)으로 구동하는 바이오 컴퓨터 개발을 목표로 한다. 지난달에는 뉴런 20만 개를 칩 위에 배양한 컴퓨팅 시스템 CL-1을 시켜 1인칭 슈팅 게임 '둠'을 플레이하게 하는 데 성공했다.

CL-1은 크게 뉴런, 뉴런과 전기 신호를 주고받을 수 있는 칩 두 가지 요소로 구성된다. 칩은 뉴런이 어떤 신호를 내놓느냐에 따라 보상 또는 처벌하는 방식으로 뉴런을 학습시킨다. 뉴런이 올바른 반응을 내놓으면 규칙적인 전기 신호로 보상하고, 틀린 반응을 내놓으면 불규칙적인 신호를 보낸다. 신경 세포는 규칙적이고 예측 가능한 자극을 선호한다는 칼 프리스턴 런던대학 교수의 '자유 에너지 이론'에 근거한 방식이다.

뉴런을 이용한 컴퓨팅은 이미 오랜 기간 연구가 이뤄진 분야다. 지금 시점에서 이 기술이 주목받는 이유는 전력 효율성 때문이다. 세계 각국은 데이터센터에 필요한 전력을 어떻게 충당하느냐를 두고 고심 중인데, 뉴런 컴퓨팅이 대안이 될 수 있다.

흰색 얼룩처럼 생긴 부분이 코티컬랩스 칩 기판 위에 배양된 인간 뉴런 조직이다./사진=코티컬랩스 엑스 계정 갈무리
흰색 얼룩처럼 생긴 부분이 코티컬랩스 칩 기판 위에 배양된 인간 뉴런 조직이다./사진=코티컬랩스 엑스 계정 갈무리

뉴런은 전기 대신 배양액에 담긴 영양분을 에너지원으로 쓰기 때문에 기존 AI 칩보다 전력 사용량이 적다. 프랑스 매체 엘파이스에 따르면 기존 데이터센터에서 구동되는 최첨단 AI 칩 하나가 연간 370만 와트시의 전력을 소비하는 것으로 추산된다. 반면 코티컬랩스의 CL-1의 연간 소비전력은 850~1000와트시 수준. CL-1은 발열도 거의 없어 기존 데이터센터처럼 냉각 문제를 고민할 필요도 없다.

복잡한 수학 추론처럼 인간에게 어려운 것은 기계가 잘하는 반면 걷기, 물건을 들기처럼 기계에게 어려운 일은 인간이 잘한다는 '모라벡의 역설'을 바이오 컴퓨팅이 해결할 수도 있다. 지난해 11월 프랑스 다쏘그룹의 테크기업 다쏘시스템즈를 상대로 한 프레젠테이션에서 총 CEO는 잠자리가 뉴런 100만 개를 갖고 먹이의 동선 예측, 비행경로 설정 같은 복잡한 계산 작업을 성공적으로 수행한다고 설명하면서 "생물은 당장 갖고 있는 데이터와 에너지를 가장 효율적인 방향으로 사용하도록 진화했다"고 했다. 바이오 컴퓨팅으로 인간이 잘하는 것까지 잘해낼 수 있는 기계를 만들어낼 수 있다는 뜻이다.

코티컬랩스 기술이 클라우드 컴퓨팅 같은 대규모 연산능력에 활용될 수 있겠느냐는 의문도 있다. 매들린 랭커스터 케임브리지 대학 분자생물학연구소 연구원은 코티컬랩스 기술을 소개하는 포브스 기사에서 뉴런 컴퓨팅에 대해 "지난 20년 동안 연산 능력에 큰 발전 없이 정체된 상태였다"며 "코티컬랩스가 어떻게 이 한계를 극복할 계획인지 아직 불분명하기 때문에 실현 가능성을 장담하기 어렵다"고 했다.

코티컬랩스는 이달 호주 멜버른에서 CL-1 120대가 들어간 데이터센터 운영을 개시한다고 지난 10일 발표했다. 추후 싱가포르에도 데이터센터를 개설하고 CL-1 최대 1000대를 배치할 계획이다. 이 데이터센터를 성공시킨다면 바이오 컴퓨팅 상용화에 한 발 더 다가갈 수 있게 된다. 업계는 코티컬랩스에 기대를 걸었다. 코티컬랩스는 홍콩 거부 리카싱 전 CK허치슨 회장이 이끄는 사모펀드 호라이즌스벤처스가 주도한 2023년 투자 모금에서 1000만 달러를 끌어모았다. 미국 중앙정보국(CIA)이 설립한 벤처캐피털 인큐텔도 참여헀다. 그 전 해에는 베르너 보겔스 아마존 CTO(최고기술책임자)가 코티컬랩스 기술에 관심을 보이며 회사를 직접 방문하기도 했다.

업계는 코티컬랩스가 한 단계 더 도약하려면 기술, 윤리 문제를 해결해야 한다고 지적한다. 같은 줄기세포를 토대로 배양해도 뉴런들 사이에 연산능력 차이가 나타나기 마련인데, 일정치 이상 능력을 보장할 수 있는 기술이 필요하다는 것. 칩 위에 배양된 뉴런 조직들이 의식을 갖는지도 문제다. 만약 의식이 있다면 보상과 처벌이란 방식으로 학습을 진행하는 것은 논란의 여지가 있을 수 있다고 포브스는 설명했다.

총 CEO는 "생명윤리학자들과 긴밀히 협력해왔으며 앞으로도 윤리 문제에 관해 사회와 지속적으로 소통하겠다"고 말했다. 그러면서 "코티컬랩스는 하드웨어 제조에서는 엔비디아처럼, 소프트웨어 제작에서는 오픈AI처럼 돼야 한다. 바이오 컴퓨팅이 더욱 발전할 수 있고 더욱 많은 작업을 해낼 수 있다는 것을 증명해야 한다"고 했다.

[머니투데이 스타트업 미디어 플랫폼 유니콘팩토리]
  • 기자 사진 김종훈 기자

이 기사 어땠나요?

이 시각 많이 보는 기사